- do montażu w ściankach instalacyjnych o częściowej wysokości lub wysokości pomieszczenia
- do montażu w ściankach systemowych Geberit Duofix nie na pełną wysokość pomieszczenia lub na wysokość pomieszczenia
- do montażu pisuarów
- do pisuarów Geberit Preda
- do pisuarów Geberit Selva
- do montażu zaworów spłukujących Geberit do pisuaru (produkowanych od 2009 roku)
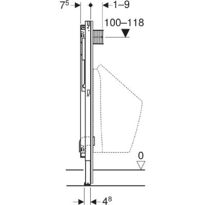
- do wysokości warstw podłogi 0–20 cm
- rama samonośna malowana proszkowo
- rama z nawierconym otworem ø 9 mm do zamocowania w konstrukcji drewnianej
- wsporniki pod nogi montażowe ocynkowane
- wsporniki pod nogi montażowe o regulowanym położeniu w zakresie 0–20 cm
- wsporniki pod nogi montażowe z funkcją samohamowania
- stopy obracalne
- głębokość stóp odpowiednia do montażu w profilach U UW 50 i UW 75 oraz szynach systemowych Geberit Duofix
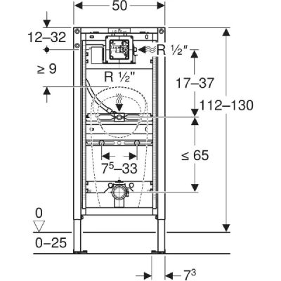
- możliwość dopasowania wysokości elementu do pisuaru, 112–130 cm
- wstępne ustawienie do podłączenia pisuaru Geberit Preda
- uniwersalna skrzynka montażowa do zaworów spłukujących Geberit do pisuaru
- kostka zaciskowa do przyłącza elektrycznego umieszczona w uniwersalnej skrzynce montażowej
- przyłącze wody z prawej strony na uniwersalnej skrzynce montażowej
- przyłącze wody typu MasterFix i MeplaFix
- kolanko przyłączeniowe montowane bez użycia narzędzi
- zawór odcinający z dławikiem, wstępnie zamontowany
- wstępnie zamontowana rura do przepłukania instalacji
- obudowa ochronna otworu rewizyjnego 10,5 x 10,5 cm z możliwością skrócenia bez użycia narzędzi
- wyginany wąż spłukujący
- wąż spłukujący z przewodem do zapobiegania stagnacji wody
- mocowanie dopływu Rp 1/2‘‘ z możliwością regulacji położenia w pionie i poziomie
- mocowanie kolana odpływowego o regulowanej wysokości i izolowane akustycznie
- mocowania pisuarów M8, o regulowanej szerokości i wysokości
- trawersy z oznaczonym środkiem, o regulowanym położeniu bez użycia narzędzi
- znaczniki na trawersach ustawień do podłączenia pisuarów Geberit Preda i Selva
Dane techniczne:
- przepływ przy 1 bar bez ogranicznika przepływu 0,3 l/s
- przepływ przy 1 bar z ogranicznikiem przepływu 0,24 l/s
- ciśnienie robocze 1-8 bar
- maksymalne ciśnienie próbne wody 16 bar
- maksymalne ciśnienie próbne powietrza/gazu obojętnego 3 bar
- maksymalna temperatura robocza wody 30°C
Zestaw zawiera:
- kolanko przyłączeniowe R 1/2“
- obudowa ochronna otworu rewizyjnego, z zaślepką
- zaślepka ochronna
- kolano odpływowe z PE-HD, ø 63 / 50 mm
- zaślepka ochronna
- uszczelka ø 57 / 50 mm
- syfon pisuarowy ø 50 mm, z uszczelką do pisuaru
- 2 pręty gwintowane M8
- materiał mocujący





